您现在的位置是:网站首页> PLC自动化
PLC输入端口应用及实践
- PLC自动化
- 2025-11-26
- 2175人已阅读
PLC输入端口应用及实践
借助AI咨询硬件相关问题如:PNP传感器信号线是输出正还是负
***PNP输出为正,NPN输出为负,线接法:棕正、蓝负、黑控制信号***
***PLC的输入输出端口需要格外供电***

PLC 输入端口,PNP NPN 传感器接法
输入部件是开关、按钮、传感器等,PLC通过输入接口可以检测被控对象的各种数据,以这些数据作为PLC对被控对象进行控制的依据
输入接口电路
通常PLC的输入类型可以是直流、交流和交直流。
输入电路的电源可由外部供给,有的也可由PLC内部提供
plc输入端可以源型,也可以漏型
所谓“源型输入(Sourcing Input)”,是指电流从模块的公共端流入,从模块的输入通道流出的接线方式。源型输入的公共端作为电源正极(共阳极)。
源型输入可以等效为在输入模块外部连接电池,电池的正极连接到模块的公共端,电流从电池的正极流入模块内部电流,从输入通道流出到开关一端。当开关闭合后,电流经过开关流回到电池的负极。
所谓“漏型输入(Sinking Input)”,是指电流经过外部开关,从模块的通道流入到模块内部;再经过内部电路,从公共端流出的接线方式。在漏型输入中,公共端作为电源负极(共阴极)。
漏型输入相当于在模块外部连接干电池,干电池的负极连接在模块的公共端,正极连接到开关的一端,再从开关另一端连接到输入通道,然后经过模块内部电路从公共端流出返回到电池的负极。
为什么要区分源型输入还是漏型输入呢?
主要原因是有些PLC厂家的数字量模块只支持漏型输入或者源型输入中的一种。使用这样的模块,必须根据模块的类型来接线。
传感器接入PLC(NPN/PNP)
1.第一步、NPN传感器接入PLC
(1)NPN型传感器输出信号为低电平信号,接入至PLC输入点后,PLC输入端的公共端1M需要接高电平。
(2)这样才能产生信号的流动,公共端1M应与24V+进行连接。
(3)对于NPN型传感器接入到PLC时,可以称为源型接法或共阳极接法。

第二步、PNP传感器接入PLC
(1)PNP型传感器输出信号为高电平信号,接入至PLC输入点后,PLC输入端的公共端1M需要接低电平。
(2)这样才能产生信号的流动,公共端1M与24V-进行连接。
(3)对于PNP型传感器接入到PLC时,可以称为漏型接法或共阴极接法。

NPN/PNP相互转换接入PLC
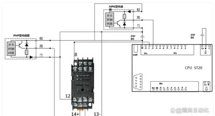
第一步、PLC输入端接源型,对应NPN传感器,那么PNP传感器该如何接入呢?
通过中间继电器去转,PNP传感器棕色线接24+,蓝色接24-,由于PNP输出高电平,故黑色线接中间继电器线圈14为正极,另一端13接24-为负极,12和8分别为中间继电器常开点,8接PLC输入端I0.1,12接电源负极。

第二步、PLC输入端接漏型,对应PNP传感器,那么NPN传感器该如何接入呢?
通过中间继电器去转,NPN传感器棕色线接24+,蓝色接24-,由于NPN输出低电平,故黑色线接中间继电器线圈13为负极,另一端14接24+为正极,12和8分别为中间继电器常开点,8接PLC输入端I0.1,12接电源正极。

PLC与传感器的连接可以通过以下几种常见的方式进行:
(1)数字输入(DI)连接:许多传感器输出的是数字信号,例如接近传感器和位置开关。这些传感器通常连接到PLC的数字输入(DI)端口。在连接时,您需要将传感器的输出线连接到PLC的相应DI端口,并确保正确配置PLC编程软件中的DI输入通道。
(2)模拟输入(AI)连接:某些传感器输出模拟信号,例如温度传感器和压力传感器。这些传感器通常通过模拟输入(AI)端口连接到PLC。您需要将传感器的输出线连接到PLC的相应AI端口,并在PLC编程软件中配置AI输入通道。
(3)数字输出(DO)连接:有些传感器需要通过数字输出(DO)信号来控制外部执行器或设备。例如,使用PLC控制一个电磁阀或马达。在这种情况下,您需要将PLC的数字输出线连接到执行器或设备,并在PLC编程软件中配置DO输出通道。
(4)通信接口连接:一些传感器具有自己的通信接口,例如以太网、串口或Modbus通信。这些传感器可以直接通过适当的通信协议与PLC进行通信。您需要配置PLC的通信接口和相关参数,以确保正确的数据交换。
传感器分为哪几种类型?怎么与PLC相连?
输入IO分为漏型和电源型针对IO口电流流向
电流流出:漏型IO口
电流流入:源型IO口
传感器有很多种,但主要是分为两种开关量和模拟量,如果是开关量一般是光电传感器位置传感器等,模拟量一般就是压力传感器,温度传感器等等。
源型输出与漏型输出
电流从输入端子流出经过外部开关至公共端的输入叫漏型输入
电流从公共端经过外部开关电流入输入端子的输入叫源型输入
1M和2M是PLC的输入点的公共端
01开关量传感器接法
开关量传感器的接法要有很多注意的地方,如果是一般的开关量,比如两线制的那么就非常简单,它的输出就两种状态0和1,接线的时候,一端接入电源,一端接入X输入,电源的连接取决于PLC输入漏型或源形的选择。
如果是三线制甚至多线制的那我们就要考虑传感器的类型是NPN还是PNP,关于这两种传感器的接线方法在前面讲了很多遍,感兴趣的同学可以关注一下回看前面的内容以及视频,这篇问答就简单的讲解一下。
如果想要选用NPN型传感器,那么就要确保PLC的输入类型为漏型,S/S端子接入24V+,内部S/S与X输入点连接,电流是从X端输出到传感器,如果想要选用的是PNP型传感器,那么S/S端子必须要接入电源的0V,电流从X端输入,需要传感器输出高电平。
02模拟量传感器接法
模拟量传感器就是把被测物从数值转化为电流或者电压的信号方式输入PLC,输入PLC的前提是配备了专门的模拟量输入模块,比如说想要检测物体的温度,从而控制加热或者冷却,那么就需在PLC主机中连接温度采集模块,如FX2N-4AD温度采集模块。
如果是需要压力数据,那就要购买对应的压力采集模块,只要可以转化为4-20mA的电流信号或者0-10V的电压信号,PLC都可以进行采集和监控。
03总结
对于传感器的接线方法还是很好学的,但是前提是要搞清楚传感器类型以及作用,所选用的PLC到底支不支持等等。
工业传感器
接近传感器 (限位开关)接近开关
分类
电感式 :检测金属物体,铁最好 0.8-30mm
电容式:非金属物体(也可以检测金属),检测距离:3-25mm
参数说明:
本体: 1.导线引出性,2.接插件中继型 3.放大前期分离型
检测距离:检查到物理的距离
差动距离:动作时与复位时之间的距离
t1:传感器出于动作到输出为ON的时间
t2:检测离开到输出为OFF的时间
响应时间 f=1/(t1+t2) 反复接近标准检查物体时,每秒及那侧随之产生的输出次数
屏蔽型(检测端),非屏蔽型(检测远)
输出形态:
| 输出形式 | 图形符号 | 说明 |
| NO(正常开)型 | NO | 检测区域中有检测物体时,输出开关元将处于ON |
| NC(正常关闭)型 | NC | 检测区域中无检测物体时,输出开关元将处于ON |
| NO/NC切换型 | NO/NC | 通用切换开关等,可以对输出单元元件的NO/NV动作进行选择的方式 |
| NPN晶体管输出 | 用一般的晶体管,可直接连接在可编程器显示器控制及计数器上 | |
| PNP晶体管输出 | 主要是组装在出口欧洲等的机械上 | |
| 无极性。无接电输出 | 用于交流2线式、交流。直流量可用形中级,无需单行极性出 | |
两线式传感器时注意




选接近传感器的方法
1.检测物 -》两线还是三线=》屏蔽类型=》检查距离=》接线方式=》输出类型 NO/NC,PNP/NPN
光电传感器
分类
1.对射型
投光部 受光部

2.回归反射型
投光,受光部一体,一个反射镜片

3.扩散反射型
不需要一个反射镜片

4.限定反射型
交叉区域地方能检测物体有无

5.距离设定型

光电传感器参数











安全传感器


光幕




温控器的参数选型










上一篇:西门子PLC根据型号看特性
下一篇:常用原器件知识收集